» Relé de sequência de fase

Tipo: DPX-136

Introdução

A Digimec apresenta para o mercado seu mais novo supervisor de sequência trifásica, tipo DPX-136, desenvolvido para proteção de equipamentos elétricos trifásicos que não podem operar quando houver anomalias como, inversão da sequência trifásica.

CARACTERÍSTICAS TÉCNICAS:

• Supervisor de sequência de fase.

• 1 saída para sequência correta.

• 1 saída para sequência de fase invertida.

• Caixa compacta e resistente.

Funcionamento

Alimentando-se o equipamento com a rede trifásica, o circuito eletrônico identifica se a sequência esta correta ou não. Caso esteja, ele habilita o monitoramento através da saída 1, inibindo a saída 2. Caso não esteja na sequência correta, automaticamente habilita o monitoramento através da saída 2, inibindo a saída 1. Para correção automática da sequência trifásica a saída 2 deverá estar acoplada ao circuito que consta em “exemplo de ligação”.

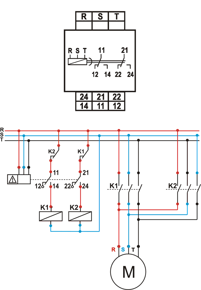
Diagrama(s) de funcionamento

Diagrama(s) de ligação

Ajustes frontais

Dados técnicos

Alimentação (-15% +10%) 110, 220, 380, 440, 460 ou 480 Vca (especificar)
Frequência da rede 50 - 60 Hz
Consumo 3 VA (aproximadamente)
Sequência de fase (ANSI 47) Positiva: (RST – STR – TRS)
Tempo de retardo no ligamento 200 ms
Tempo de comutação 20 ms
Tempo de estabilização térmica < 30 min
Tempo de energização < 2 seg.
Relé de saída 2x 5 Amp 250 Vca máx. carga resistiva – reversível material dos contatos AgCdO
Vida útil dos contatos Mecânica (sem carga): 10.000.000 operações
Elétrica (com carga resistiva): 1.000.000 operações
Temperatura Ambiente De trabalho: 0 a 50°C
De armazenamento: -10 a 60°C
Umidade relativa de trabalho 20 a 90 % sem condensação
Material da caixa Termoplástico
Terminais de saída Parafusos com alojamento fixo
Grau de proteção da caixa IP 51
Grau de proteção nos terminais IP 20
Capacidade dos terminais Fio: 2,5 mm²
Cabo: 2,5 mm²
Condutor com terminal: 2,5 mm²
Torque de aperto: 0,5 a 0,6 Nm
Fixação Trilho DIN 35 mm ou parafuso com acessório opcional

Dimensões (mm)

» Relés de sequência de fase

Tipos: JPG-1, DPG-1 E MPG-1

Introdução

Os relés de sequência de fases JPG-1, DPG-1 e MPG-1 foram desenvolvidos pela Digimec, para a proteção de equipamentos elétricos trifásicos, que não podem operar quando estiverem invertidas as fases da alimentação. Com tamanho compacto, podem ser acondicionados em pequenos espaços. Montados em caixa plástica, apre-sentam alta resistência a choques, vibrações, além de possuírem um sistema de fácil fixação em trilho DIN ou por parafusos (mediante um adaptador opcional para as caixas J e D).

Funcionamento

Alimentando-se o aparelho com as três fases em sequência, o relé de saída comuta seus contatos para a posição de trabalho, led indicativo de saída aceso no frontal. Se duas fases da alimentação do aparelho forem invertidas, o relé de saída comuta seus contatos para a posição de repouso, led indicativo de saída apagado no frontal.

Diagrama de funcionamento

Diagrama de ligação

Dados técnicos

Alimentação (-15% +10%) 220, 220-380, 380 ou 440 Vca (especificar)
Frequência da rede 50 - 60 Hz
Consumo 3 VA (aproximadamente)
Sequência Positiva (RST - STR - TRS)
Tempo de comutação 20 ms
Tempo de retorno 100 ms
Tempo de estabilização térmica < 30 min.
Tempo de energização < 2 seg.
Relé de saída 5 Amp 250Vac máx carga resistiva – reversível
Material dos contatos AgCdO
Vida útil dos contatos Mecânica (sem carga): 10.000.000 operações
Elétrica (sem carga): 1.000.000 operações
Temperatura ambiente De trabalho: 0 a 50°C
De armazenamento: -10 a 60°C
Umidade relativa de trabalho 20 a 90 % sem condensação
Material da caixa Termoplástico
Terminais de saída Parafusos com alojamento fixo
Grau de proteção da caixa IP 51
Grau de proteção nos terminais IP 20
Capacidade dos terminais Fio: 2,5 mm² - Condutor com terminal: 2,5 mm²
Cabo: 2,5 mm² - Torque de aperto: 0,5 a 0,6 Nm
Fixação Trilho DIN 35 mm ou parafusos (com acessório para caixa J e D)

Dimensões (mm)

(21) 2258-8171

vendas@tecnopartes.com.br